产品中心PRODUCTS
联系我们

- 服务热线:
0531-55505423
传 真:0531-55505423
手 机:15562670348
在线QQ:836707979、942138324
地 址:济南市槐荫区新沙民营工业园二街2号
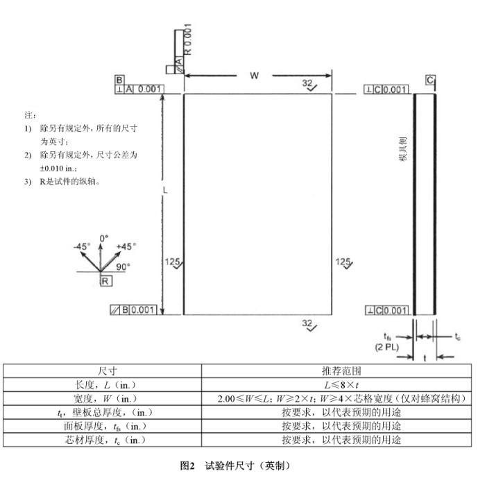
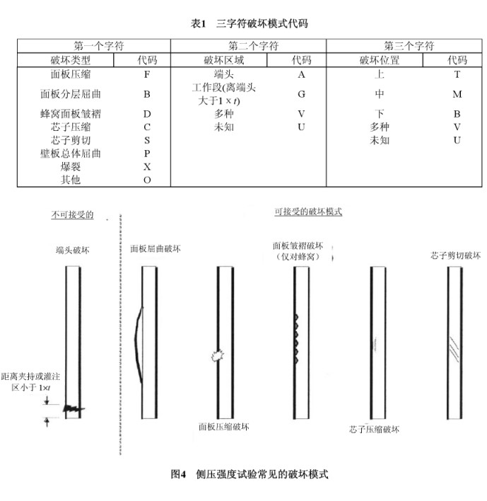
标题:夹层结构侧压试验夹具-GB/T1454-2005/ASTMC364-07侧压性能夹具
关键词:夹层结构侧压试验夹具
描述:本试验夹具适用于测定结构用夹层结构平行于夹层面板方向的压缩性能,许可的芯材形式包括具有连续黏贴表面(如轻质木材和泡沫)及具有不连续表面(如蜂窝)等芯材形式.


专业名词:
侧压-平行于夹层结构面板的压缩
侧压模量:沿平行夹层结构面板方向在弹性范围内测得得压缩应力和应变之比
面板的侧压强度-平行夹层结构面板方向单位面板面积所承受的最大压缩载荷
面板的侧压模量:沿平行夹层结构面板方向在弹性范围内测得得面板压缩应力与应变之比.
涉及标准:GBT 1454-2005 夹层结构侧压性能试验方法
涉及标准:ASTM C364/C364M-2016 夹层结构侧向压缩强度的标准试验方法






更多
- [2022-06-06]土工布拉力试验机的力学试验(图文)
- [2022-03-25]橡胶拉力试验机存在门式和单臂两种结构,有什么区别?(图文)
- [2022-03-14]如何判断市场上电子拉力试验机的好坏?(图文)
- [2022-03-11]关于橡胶材料力学性能的介绍常见问题解答(图文)
- [2022-03-01]橡胶拉力试验机的相关介绍(图文)
- [2022-02-10]双臂式拉力试验机哪里有卖?厂家供应双臂拉力试验机(图文)
- [2022-02-08]双柱万能拉力试验机参数配置和技术指标(图文)
- [2022-02-06]数显式拉力试验机都有哪些种,最大能拉伸多大力?
- [2022-01-28]伺服拉力试验机微机的各项参数详解(图文)
- [2022-01-25]电动双柱拉力试验机的搜索内容很乱,纵驰测控帮您解决(图文)
- [2022-01-22]电子式单柱拉力试验机(图文)
- [2022-01-22]微控式拉力试验机只的是什么?怎么微控(图文)
- [2022-01-21]单柱微电脑拉力试验机功能用途,结构特点和技术参数(图文)
- [2022-01-21]数显式双臂拉力试验机相对于市面上的试验机有什么优势?(图文)
- [2022-01-18]夹层结构/复合材料/铝塑复合板常用检测配件(图文)
- [2022-01-14]GB5725-2009安全网标准规定的试验夹具以及检测方法(图文)
- [2021-12-24]橡胶拉伸试验机在做橡胶拉力试验时要满足以下条件(图文)
- [2021-12-23]不懂土工布拉力试验机技术要求?(图文)
- [2021-12-20]承插型盘扣式钢管弯曲试验机标准及使用说明(图文)
- [2021-12-17]电子万能试验机的这些常见故障可学会自行处理(图文)



